Сборные диски шины газ 66 купить в Красноярске ...
Матадор 205 55 R16 Зима: Полный Обзор И Сравнен...
Шина заземления схема подключения
Чем отличается шина от покрышки, или это одно и...
Сборные шины - купить по выгодной цене от 215 р...
Устройство шины автомобиля: Строение колеса и у...
Монтаж шин 6—10 кВ | Подстанции | Инструкции по...
Сборные шины от компании Олниса
Сборные шины распределительных устройств
Виды шин и проводов | Шины и токопроводы | Справка
что такое система сборных шин
Автомобильные шины, каталог с фото, характерист...
Автомобильные шины. Учебное пособие - online pr...
ZR-W, Распредустройства НН
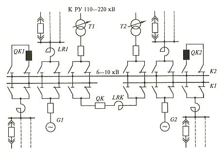
Сборные шины РУ | ДЗШ 110-220 кВ
Сборные шины | ZX1.2 КРУ ABB | КРУ и КТП | Справка
Как определить внешний диаметр шины - chinaskla...
ЭлектрО - Схема с двумя системами сборных шин
Шины. Конструкция, эксплуатация, классификация ...
Сборные шины в Eplan: применение, размещение и ...
Подготовка к ОГЭ. Задание "Шины".
Сборные шины 2024 | ВКонтакте
Сборные шины - купить по выгодной цене от 797 р...
Сборные шины 0 4 кв 1 - YouTube
Шины для погрузчиков и спецтехники - разбираемс...
1.3 Ору 220 кВ по схемам электрических соединен...
Грузовые шины 10 R17.5 Continental, ТЯГА, остал...
Классификация автомобильных шин.
Испытание сборных и соединительных шин в Москве...